1. Phạm vi cảm biến lớn
Tiêu chuẩn M30 Hiệu suất: cung cấp một phạm vi cảm biến đáng kể của 10mm (Sản phẩm Flush) và 15mm (Không rửa), lý tưởng cho máy móc nặng và các ứng dụng nơi cảm biến không thể được lắp đặt quá gần mục tiêu.
Phát hiện tốc độ cao: Tính năng tần số chuyển đổi ấn tượng (Đến 1500HZ), đảm bảo kiểm soát chính xác ngay cả trong các dây chuyền xử lý tốc độ cao.
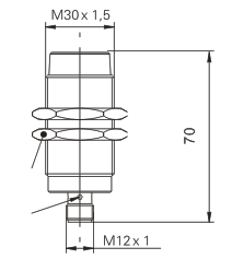
2. Thuận tiện M12 Kết nối
Tích hợp thông minh: Kết hợp độ mạnh mẽ nặng của một M30 nhà ở với sự tiện lợi của một tiêu chuẩn M12 Kết nối.
Cắm & Chơi: Cho phép tích hợp liền mạch với M hiện có12 dây, đơn giản hóa dây và thay thế cảm biến ngay lập tức và không có lỗi so với các lựa chọn thay thế có dây cứng.
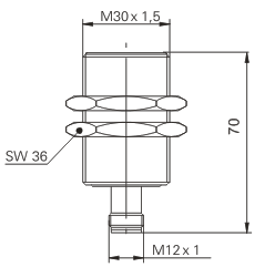
3. Độ tin cậy nhiệm vụ nặng
Xây dựng mạnh mẽ: Vỏ đồng thau mạ niken vững chắc cung cấp khả năng chống lại tác động cơ học và mài mòn vượt trội.
Đầy đủ được bảo vệ: Đánh giá IP67 để bảo vệ chống lại nước và bụi, và được trang bị bảo vệ mạch toàn diện (Ngắn mạch, Độ cực ngược, tăng) Để đảm bảo tuổi thọ hoạt động lâu dài trong môi trường công nghiệp khắc nghiệt.



| Thông số | Thông số kỹ thuật |
|---|---|
| Kích thước nhà ở | M30 (Nghị ý bởi range) |
| Lắp đặt | Sản phẩm Flush / Không rửa |
| Khoảng cách cảm biến | Sản phẩm Flush: 10mm / Không rửa: 15mm |
| Điện áp hoạt động | 10-30VDC |
| Tải trọng tối đa hiện tại | ≤200mA |
| Tần số chuyển đổi | Sản phẩm Flush: 1500HZ / Không rửa: 1000HZ |
| Chế độ đầu ra | NPN / PNP / DC 2dây |
| Bảo vệ mạch | Ngắn mạch, Độ cực ngược, tăng |
| Vật liệu nhà ở | Đồng thau mạ niken |
| Nhiệt độ môi trường | -25°C là +70°C |
| Mức độ bảo vệ | Thông tin IP67 |
| Loại kết nối | M12 Kết nối |