1. tiêu chuẩn công nghiệp & Tương thích cao
Phạm vi cảm biến tiêu chuẩn: cung cấp phát hiện đáng tin cậy với 2mm (Sản phẩm Flush) và 4mm (Không rửa) cảm biến khoảng cách, làm cho nó trở thành một sự thay thế hoàn hảo cho các ứng dụng công nghiệp tiêu chuẩn.
M12 Ngắt kết nối nhanh: Tính năng tiêu chuẩn M12 Kết nối, giao diện được sử dụng rộng rãi nhất trong tự động hóa, đảm bảo tích hợp liền mạch với các bộ cáp và hộp phân phối hiện có.
2. Xây dựng mạnh mẽ cho nhiệm vụ nặng
Nhà ở bằng đồng thau mạ niken: Các M12 nhà ở cung cấp sức mạnh cơ học vượt trội và kháng mô-men xoắn cao hơn so với các cảm biến nhỏ hơn, đảm bảo lắp đặt an toàn và bền vững.
Thông tin IP67 Đánh giá: Được niêm phong hoàn toàn chống lại nước, dầu, và bụi, đảm bảo sự ổn định lâu dài trong môi trường sản xuất khắc nghiệt từ -25°C là +70°C.
3. đáng tin cậy & Hoạt động an toàn
Bảo vệ mạch: Bảo vệ tích hợp chống ngắn mạch, Độ cực ngược, và Voltage tăngs significantly extends the Cảm biến's lifespan.
Đầu ra đa năng: Có sẵn trên NPN, PNP, và DC 2cấu hình dây để phù hợp với bất kỳ PLC hoặc logic điều khiển nào.



| Dữ liệu kỹ thuật | Thông số kỹ thuật |
|---|---|
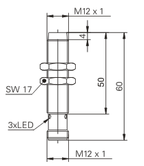
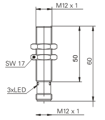
| Kích thước nhà ở | M12 (Tiêu chuẩn) |
| Khoảng cách cảm biến | 2mm (Sản phẩm Flush) / 4mm (Không rửa) |
| Kết nối | M12 Kết nối |
| Điện áp hoạt động | 10-30VDC |
| Tải trọng tối đa hiện tại | ≤200mA |
| Chuyển đổi Freq | 1500HZ (Sản phẩm Flush) / 1000HZ (Không rửa) |
| Vật liệu | Đồng thau mạ niken |
| bảo vệ | Thông tin IP67 |
| Bảo vệ mạch | Ngắn mạch, Độ cực ngược, tăng |