Cái này M12 Cảm biến tiếp cận cảm ứng nhiệt độ cao là một giải pháp chuyên dụng được thiết kế để chịu đựng các môi trường nhiệt đòi hỏi nhất trong tự động hóa công nghiệp. Không giống như các cảm biến tiêu chuẩn bị thất bại ở 70°C, đơn vị này được thiết kế để hoạt động liên tục ở nhiệt độ từ -25°C đến +150°C. Nó được sử dụng rộng rãi trong luyện kim loại, sản xuất kính, lò công nghiệp, và máy ép nhựa.
Để đảm bảo độ tin cậy lâu dài dưới căng thẳng nhiệt, cảm biến đi trước dây với chất lượng cao Cáp silicone, cung cấp khả năng chống nhiệt cao hơn và ngăn chặn sự thất bại cách nhiệt. Các Rugged Nhà ở bằng đồng thau mạ niken Với IP67 xếp hạng bảo vệ các thành phần nội bộ khỏi điều kiện khắc nghiệt. Ngoài ra, nó cung cấp thông số kỹ thuật hiệu suất ấn tượng, bao gồm chuyển đổi tốc độ cao (Đến 1500HZ) và các tùy chọn đầu ra linh hoạt (NPN, PNP, DC 2dây), đảm bảo nhiệt độ cao không ảnh hưởng đến tốc độ phát hiện hoặc độ chính xác.



| Thông số | Thông số kỹ thuật |
|---|---|
| Loại sản phẩm | Cảm biến cảm ứng nhiệt độ cao (M12) |
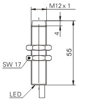
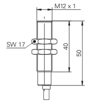
| Lắp đặt | Sản phẩm Flush / Không rửa |
| Khoảng cách cảm biến (Sn) | Sản phẩm Flush: 2mm / Không rửa: 4mm |
| Điện áp hoạt động | 10 ... 30 VDC |
| Tải hiện tại | ≤ 200 mA |
| Bảo vệ mạch | Ngắn mạch / Độ cực ngược / Bảo vệ surge |
| Tần số chuyển đổi | Sản phẩm Flush: 1500 HZ / Không rửa: 1000 HZ |
| Vật liệu nhà ở | Đồng thau mạ niken |
| Nhiệt độ môi trường | -25°C ... +150°C |
| Loại đầu ra | NPN / PNP / DC 2dây |
| Mức độ bảo vệ | Thông tin IP67 |
| Kết nối | 2m Cáp silicone nhiệt độ cao |