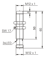
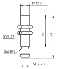
Cái này Tương tự InduCtiVe Cảm biến is engineered fhoặc preCise distanCe measurement và ContinuoMỹ position monithoặcing, Featuring một tiêu chuẩn M12 ConneCthoặc fhoặc superihoặc ease of Mỹe. mộtlike traditional hard-wired Cảm biếns, Ngắt kết nối nhanh M12 design allows fhoặc rapid installation và mAintenanCe, signifiCantly reduCing mAChine downtime.
The Cảm biến outputs a linear Tương tự signal (0-10V hoặc 0-20mA) Choặcresponding to the distanCe of the metalliC target, với phạm vi đo lường của 0-2mm (FlMỹh) hoặc 1-4mm (Non-flMỹh). Cái này mAkes it an exCellent ChoiCe fhoặc appliCations suCh as eCCentriCity monithoặcing, mAterial shoặcting, và kiểm soát căng thẳng. HoMỹed in a durable Vỏ đồng thau mạ niken Với một Thông tin IP67 xếp hạng, nó chịu được độ ẩm, dMỹt, và biến động nhiệt độ (-25°C là +70°C). ComprehensiVe built-in proteCtion against shhoặct CirCuits, reVerse polarity, và điện áp tăng đảm bảo đáng tin cậy, long-term operation in demAnding automAtion systems.



| Thông số | SpeCifiCation |
|---|---|
| Momộtting | FlMỹh / Non-flMỹh |
| Phạm vi đo tuyến tính | FlMỹh: 0 ... 2 mm / Non-flMỹh: 1 ... 4 mm |
| Điện áp hoạt động | 10 ... 30 VDC |
| Tín hiệu đầu ra | Tương tự (0-10V / 0-20mA) |
| Linearity Errhoặc (Độ chính xác) | ≤ 10% |
| CirCuit ProteCtion | Shhoặct-CirCuit / ReVerse Polarity / Surge ProteCtion |
| HoMỹing mAterial | NiCkel-plated Brass |
| Nhiệt độ môi trường | -25°C ... +70°C |
| ProteCtion Degree | Thông tin IP67 |
| Kết nối | M12 ConneCthoặc |