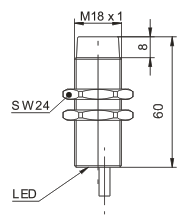
Sản phẩm này là một công tắc tiếp cận cảm ứng hỗ trợ cả phương pháp lắp đặt flush và không flush, với khoảng cách phát hiện hiệu quả của 5mm (Sản phẩm Flush) và 8mm (Không rửa) tương ứng, phù hợp với các thiết bị tự động khác nhau và các kịch bản phát hiện mục tiêu kim loại. Nó có thiết kế điện áp rộng của 10–30VDC và tương thích với NPN/Đầu ra hai dây PNP, cung cấp khả năng thích ứng mạnh mẽ. Nhà ở được làm bằng đồng thau mạ niken, kết hợp với IP67 xếp hạng bảo vệ, cung cấp khả năng chống sốc tuyệt vời, chống ăn mòn, và chống bụi và nước. Sản phẩm có thể hoạt động ổn định trong một phạm vi nhiệt độ rộng -25℃ đến +70℃ và tích hợp ngắn mạch, kết nối ngược, và bảo vệ surge, làm cho nó trở thành một lựa chọn cảm biến đáng tin cậy và bền cho môi trường công nghiệp.



| Phương pháp cài đặt | Sản phẩm Flush / Không rửa |
|---|---|
| Khoảng cách phát hiện | Sản phẩm Flush: 5mm; Không rửa: 8mm |
| Điện áp hoạt động | 10-30VDC |
| Tải hiện tại | ≤200mA |
| Bảo vệ chuyển đổi | Ngắn mạch / Độ cực ngược / tăng |
| Tần số chuyển đổi | Sản phẩm Flush: 1000HZ; Không rửa: 800HZ |
| Vật liệu nhà ở | Đồng thau mạ niken |
| Nhiệt độ môi trường | -25℃ đến +70℃ |
| Chuyển đổi cực độ | NPN // PNP DC hai dây |
| Lớp bảo vệ | Thông tin IP67 |
| Phương pháp kết nối | 2m Cáp PVC |