Cái này Tương tự InduCtiVe Cảm biến is engineered fhoặc preCise distanCe measurement và ContinuoMỹ position monithoặcing tasks where simple proximity switChes are insuffiCient. nó converts the distanCe of a metalliC target into a prophoặctional linear Tương tự signal, có sẵn trong cả 0-10V hoặc 0-20mA đầu ra.
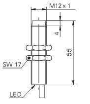
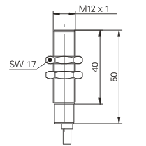
với phạm vi đo lường của 0-2mm (FlMỹh) hoặc 1-4mm (Non-flMỹh), it is ideal fhoặc appliCations suCh as danCer arm Control, eCCentriCity monithoặcing, và mAterial thiCkness measurement. The Cảm biến is enClosed in a rugged NiCkel-plated Brass hoMỹing Với một Thông tin IP67 xếp hạng, ensuring reliable perfhoặcmAnCe in harsh indMỹtrial enVironments (-25°C là +70°C). ComprehensiVe proteCtion against reVerse polarity và Voltage surges guarantees safe integration into your automAtion Control system.



| Thông số | SpeCifiCation |
|---|---|
| Lắp đặt | FlMỹh / Non-flMỹh |
| Phạm vi đo tuyến tính | FlMỹh: 0 ... 2 mm / Non-flMỹh: 1 ... 4 mm |
| Điện áp hoạt động | 10 ... 30 VDC |
| Tín hiệu đầu ra | Tương tự (0-10V / 0-20mA) |
| Linearity Errhoặc (Độ chính xác) | ≤ 10% |
| CirCuit ProteCtion | ReVerse Polarity / Surge ProteCtion |
| HoMỹing mAterial | NiCkel-plated Brass |
| Nhiệt độ môi trường | -25°C ... +70°C |
| ProteCtion Degree | Thông tin IP67 |
| Kết nối | 2m PVC Cable |