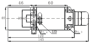
Được thiết kế để linh hoạt và dễ bảo trì, cảm biến tiếp cận cảm ứng này được phân biệt bằng kết nối khối đầu cuối bên trong của nó, cho phép dây trực tiếp và chiều dài cáp tùy chỉnh tại chỗ. Tính năng này làm cho nó lý tưởng cho các ứng dụng nơi chiều dài cáp tiêu chuẩn không đủ hoặc nơi thay thế nhanh là quan trọng. Cảm biến cung cấp khoảng cách cảm biến ấn tượng của 15mm (Sản phẩm Flush) và 20mm (Không rửa), được đặt trong một vỏ nhựa PBT vững chắc với IP67 xếp hạng cho khả năng chống lại cao hơn đối với môi trường công nghiệp (-25°C là +70°C). Hỗ trợ NPN, PNP, và DC 2đầu ra dây và bảo vệ mạch đầy đủ, Nó cung cấp một giải pháp linh hoạt và bền cho các yêu cầu tự động hóa nhiệm vụ nặng.


| Thông số | Thông số kỹ thuật |
|---|---|
| Lắp đặt | Sản phẩm Flush / Không rửa |
| Khoảng cách cảm biến (Sn) | Sản phẩm Flush: 15mm / Không rửa: 20mm |
| Điện áp hoạt động | 10 ... 30 VDC |
| Tải hiện tại | ≤ 200 mA |
| Bảo vệ mạch | Ngắn mạch / Độ cực ngược / Bảo vệ surge |
| Tần số chuyển đổi | Sản phẩm Flush: 500 HZ / Không rửa: 300 HZ |
| Vật liệu nhà ở | Nhựa PBT |
| Nhiệt độ môi trường | -25°C ... +70°C |
| Loại đầu ra | NPN / PNP / DC 2dây |
| Mức độ bảo vệ | Thông tin IP67 |
| Kết nối | Khối đầu cuối nội bộ |