25X25X39 công tắc tiếp cận vuông

Tính năng

Phạm vi cảm biến mở rộng: Cung cấp khoảng cách phát hiện tăng cường của 8mm (Sản phẩm Flush) và 10mm (Không rửa) cho ứng dụng linh hoạt.
IP bền67 Thiết kế: Nhà ở PBT vững chắc chịu được môi trường công nghiệp khắc nghiệt và nhiệt độ từ -25°C là +70°C.
Bảo vệ mạch đầy đủ: Ngắn mạch tích hợp, Độ cực ngược, và bảo vệ surge cho an toàn hệ thống tối đa.
Tương thích rộng: 10-30Điện áp hoạt động VDC với NPN/Các tùy chọn đầu ra PNP phù hợp với hầu hết các bộ điều khiển tự động hóa.
Giá tham khảo
Mỹ$1.5-30
Giá khác nhau tùy thuộc vào cấu hình; vui lòng tham khảo dịch vụ khách hàng để biết chi tiết.

giới thiệu sản phẩm

Được thiết kế cho các ứng dụng công nghiệp đòi hỏi, cảm biến tiếp cận cảm ứng này có một vỏ nhựa pbt mạnh mẽ với ip67 xếp hạng bảo vệ, đảm bảo hiệu suất đáng tin cậy trong điều kiện khắc nghiệt (-25°C là +70°C). Nó cung cấp phạm vi cảm biến mở rộng với 8mm (Sản phẩm Flush) và 10mm (Không rửa) tùy chọn, làm cho nó lý tưởng cho các ứng dụng đòi hỏi khoảng cách phát hiện lớn hơn. Cảm biến đảm bảo an toàn hoạt động với bảo vệ tích hợp toàn diện chống ngắn mạch, Độ cực ngược, và sóng điện áp. Với tần số chuyển đổi cao lên đến 800Hz và Universal 10-30Điện áp hoạt động VDC, Nó cung cấp một ổn định, giải pháp lâu dài cho các nhiệm vụ định vị và đếm chính xác.

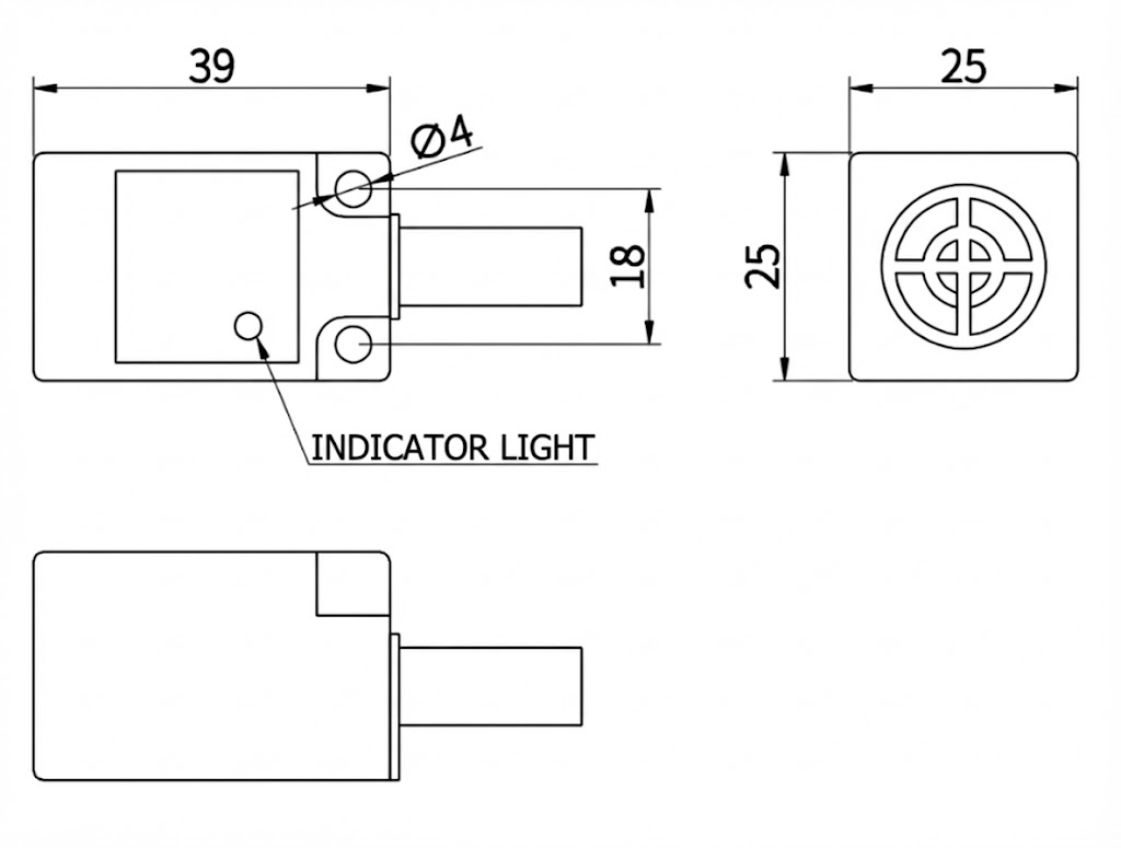
Kích thước và cấu trúc

25X25X39 square proximity switch

Sơ đồ mạch

17x17x28 square proximity switch


Thông số Thông số kỹ thuật
Lắp đặt Sản phẩm Flush / Không rửa
Khoảng cách cảm biến (Sn) Sản phẩm Flush: 8mm / Không rửa: 10mm
Điện áp hoạt động 10 ... 30 VDC
Tải hiện tại ≤ 200 mA
Bảo vệ mạch Ngắn mạch / Độ cực ngược / Bảo vệ surge
Tần số chuyển đổi Sản phẩm Flush: 800 HZ / Không rửa: 500 HZ
Vật liệu nhà ở Nhựa PBT
Nhiệt độ môi trường -25°C ... +70°C
Loại đầu ra NPN / PNP
Mức độ bảo vệ Thông tin IP67
Kết nối 2m Cáp PVC